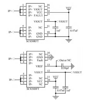
SC820 is a chip based current sensor with high current capability. This product is packaged in a wide body SOP-16 form and achieves a current wire impedance as low as 0.6m Ω on a 10.3mm * 10.4mm * 2.3mm package, making it suitable for power systems that require continuous operation to measure up to 65A.

Isolated measurement, with an isolation withstand voltage of up to 4.8kv @ 50HZ, for 1 minute
万彩网100线路Can measure direct current and alternating current
万彩网100线路Extremely low current wire impedance: 0.6m Ω
Surge current withstand capacity of 13kA 8/20uS
万彩网100线路Support Viout Vref differential output mode
万彩网100线路Built in fixed reference benchmark, not affected by power supply voltage fluctuations
万彩网100线路< Response time of 3uS
万彩网100线路Wide working temperature range: -40 ℃~125 ℃
Tested current range: 20A~65A
