产品特点:安装方便、体积小,节省空间、抗干扰能力强
应用领域:
万彩网100线路直流电机驱动静态转换器
通讯电源
万彩网100线路不间断电源 (UPS)
开关电源
电焊机
型 号 | 万彩网100线路 WCSO2A-XXXA | ||||
额定测量电流 | 200A | 300A | 万彩网100线路500A | 万彩网100线路 800A | 万彩网100线路 900A |
测量范围 | 220A | 330A | 550A | 880A | 万彩网100线路 900A |
额定输出电压 | 1/2Vc±2.0V | ||||
零点失调电压 | 1/2Vc±15mV | ||||
电源电压 | +5VDC(± 5%) | ||||
负载电阻 | ≥10KΩ | ||||
万彩网100线路线 性 度 | ≤0.5%FS | ||||
总体精度 | ±1%FS | ||||
零点失调电压温漂 | ±0.1mV/℃ | ||||
幅度电压温度漂移 | ≤0.03%/℃ | ||||
静态电流消耗 | ≤20mA | ||||
响应时间 | <7us | ||||
频带宽度 | DC~50KHz | ||||
di/dt跟随精度 | >50A/us | ||||
绝缘耐压 | 50Hz,1min,2.5KV | ||||
工作环境温度 | -40~+125℃ | ||||
储存环境温度 | -40~+125℃ | ||||
万彩网100线路质 量 | ≈16g | ||||
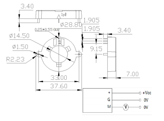
机械特性Mechanicalcharacteristics:
一般公差General tolerance:士0.5 m
万彩网100线路其它公差执行Other toleranceexecution:GB/T 1804-2000-M
万彩网100线路固定针尺寸Fixing hole size:φ1,5mm(×2)
万彩网100线路连接器Connection of secondary:0.25mm×0.55mm(×3)
建议焊接温度Recommended wave soldering temperature:265℃±5℃

WCS02A规格书 PCB 安装内径14.5 穿孔 焊接.pdf