VCS734系列是一款开环霍尔电流传感芯片,其具有高精度、 高带宽、快速响应、高线性度、低温度漂移等优点。VCS734提供 0~ 150A 电流检测范围。VCS734为高性能电流传感器领域 提供了新的解决方案。VCS734内部采用差分霍尔结构,有效 抑制外部杂散磁场。
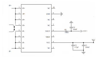
万彩网100线路SOP-16封装便于实现通过铜传导路径流动的电流产生磁场,该磁场由IC感应并转换为比例电压。电流以差分方式感应,以消除外部共模场。通过磁场与霍尔传感器的紧密接近,优化了器件的准确性。
万彩网100线路VCS734适用汽车工业、商业和通信系统。它们可用于电机控制、负载检测和管理、开关模式电源和过电流故障保护应用。

万彩网100线路Ø 隔离测量,隔离耐压5000Vrms
Ø 可以测0~150A交直流电流
万彩网100线路Ø 5V/3.3V供电选择
万彩网100线路Ø SOP-16兼容封装
Ø 极低的电流导线阻抗:0.27mΩ
Ø 接近为0的零点电压磁滞
Ø 低至1.2us的响应时间
万彩网100线路Ø 宽工作温区:-40~125°C
万彩网100线路Ø 典型零点温漂:±2mV
万彩网100线路Ø 典型灵敏度温漂:±0.2%
Ø 典型线性度误差:±0.05%
Ø 典型带宽:250kHz
Ø 差分霍尔有效地抵抗外部磁场干扰
Ø 支持波峰焊全自动贴片,卷带包装
Ø 不受电线磁场,外磁场,地磁场的干扰
万彩网100线路Ø 100%国产化
型号 | 温度范围 | 检测电流 | 灵敏度 (mV/A) | 零点输出(V) | 额定输出(V) | 特征码 | 基准电压(V) |
VCS734I-050E5D | (-40~125℃) | ±50 | 40 | E(2.5) | 2 | D-差分模式 | 2.5 |
VCS734I-080E5D | ±80 | 25 | |||||
VCS734I-100E5D | ±100 | 20 | |||||
VCS734I-150E5D | ±150 | 13.33 | |||||
VCS734I-050E3D | ±50 | 26.4 | E(1.65) | 1.32 | D-差分模式 | 1.65 | |
VCS734I-080E3D | ±80 | 16.5 | |||||
VCS734I-100E3D | ±100 | 13.2 | |||||
VCS734I-150E3D | ±150 | 8.8 | |||||
备注:可提供-55~125℃(VCS734J)产品,更多订货型号,请于韦克威技术人员联系 | |||||||