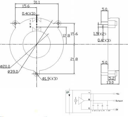
特性:
固定针尺寸:1.9mm(×3)/连接器:0.4mm×0.4mm(×3)/焊接温度:265℃±5℃
产品特点:
万彩网100线路安装方便、体积小,节省空间、无插入损耗、抗干扰能力强
应用领域:
直流电机驱动静态转换器、通讯电源、不间断电源 (UPS)、开关电源 (SMPS)、电焊机


WCS33D PCB 安装内径20 穿孔 焊接 规格书.pdf
特性:
固定针尺寸:1.9mm(×3)/连接器:0.4mm×0.4mm(×3)/焊接温度:265℃±5℃
产品特点:
万彩网100线路安装方便、体积小,节省空间、无插入损耗、抗干扰能力强
应用领域:
直流电机驱动静态转换器、通讯电源、不间断电源 (UPS)、开关电源 (SMPS)、电焊机


WCS33D PCB 安装内径20 穿孔 焊接 规格书.pdf