CH701电流传感器IC是一款经济、精确的解决方案,适用于工业、汽车、商业和通信系统中的交流或直流电流传感。这种小型封装非常适合空间受限的应用,同时由于减少了电路板面积而节省了成本典型应用包括电机控制、负载检测和管理、开关模式电源和过流故障保护。
该器件由一个精确、低失调、线性霍尔传感器电路组成,其铜导电路径位于管芯表面附近。流过该铜传导路径的外加电流产生磁场,该磁场由集成霍尔IC感应并转换成比例电压。一个精确的,成比例的电压是由低失调,斩波稳定的BCD霍尔IC,这是包装后的准确性编程。当增加的电流流过主钢传导路径(从引脚1和2到引脚3和4)时,器件的输出具有正斜率,这是使用oaTH的or电流传感。该产品内部电阳为0.8m贝,功耗低。
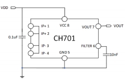
导电路径的端子与传感器引线(引脚5至8) 电隔离。这使得CH701电流传感器IC将在没有高边差分放大器或其他昂贵的隔离技术使用高边电流检测应用。
该CH701是在一个小型,低轮廓表面贴装SOIC8封装。引线框架镀有100%哑光锡,与标准无铅印刷电路板组装工艺兼容。除倒装芯片高温铅基焊球目前不受RoHS限制外,该器件是无铅的。设备在出厂前进行了全面校准。
AEC-Q100
0.8mΩ抗冲击电流能力强
万彩网100线路集成屏蔽几乎消除了从电流导体到管芯的电容耦合,极大地抑制了由于高dv/dt瞬态引起的输出噪声
万彩网100线路业界领先的噪声性能,通过专有的放大器和滤波器设计技术大大提高了带宽
高带宽120kHz模拟输出,在控制应用中实现更快的响应时间
滤波器引脚允许用户在较低带宽下过滤输出以提高分辨率
万彩网100线路集成数字温度补偿电路允许在开环传感器中实现接近闭环的温度精度

适用于空间受限应用的小尺寸、低剖面SOIC8封装
滤波器引脚简化了带宽限制,在较低频率下获得更好的分辨率
单电源操作
万彩网100线路输出电压与交流或直流电流成正比
工厂微调的灵敏度和静态输出电压,提高了准确性
斩波器稳定导致非常稳定的静态输出电压
接近零磁滞
万彩网100线路从电源电压的比率度量输出
