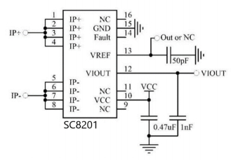
SC8201 is a chip based current sensor developed by vicorv based on the open-loop Hall principle, which can be used for AC or DC current measurement and is applied in industrial, commercial, and communication systems. This product is packaged in SOP-16 and can be applied to power systems that require continuous operation for measuring up to 2A. The SC8201 series from Weikewei is an isolated current detection chip that operates based on the open-loop Hall sensor detection principle. By introducing the current wire on the high-voltage side into the package, based on the magnetic effect of the current, the proportional magnetic field generated around the measured wire is sensed by the built-in chip's magnetic sensor and converted into a processable proportional voltage signal. This voltage signal is read and amplified by a high-precision ADC and combined with digital calibration technology to remove environmental variables such as temperature, noise, hysteresis, nonlinearity, etc., and finally outputs a voltage value that is almost ideally proportional to the measured current value, achieving isolated current measurement.

Isolated measurement, with a voltage withstand of up to 2kv @ 50HZ, for 1 minute
Can measure direct current and alternating current
万彩网100线路Current wire impedance: 20m Ω
万彩网100线路Response time as low as 4.5uS
Wide working temperature range: -40 ℃~85 ℃
万彩网100线路Wide measured current range: 2A
万彩网100线路High precision: Room temperature<; 1% accuracy error
万彩网100线路Working temperature zone:<; 5% accuracy error
Extremely easy-to-use peripheral circuit
