Basic parameters, working principle and purpose:
The DBG-1A~20A pull-out free tripping three-phase circuit breaker product works on the principle of bimetallic electric thermal tripping and has a temperature compensation structure, which can be used in a wide temperature range. The circuit breaker not only provides overload and short circuit protection for the line or electrical equipment in the 115V/200V, 400Hz three-phase AC distribution system of the aircraft, but also has the function of monitoring the on/off status of the product.

Environmental adaptability:
Surrounding medium temperature: (-55-70) ℃
Random vibration: frequency range (15~2000) H, functional test value W0=0.076g2/Hz
Acceleration: 10g
Impact: 50g
Technical requirements:
Extreme action current

Note: (a) In the phase test, the first phase of the product is connected to the specified current, and the remaining two phases are connected to the rated current; (b) During the phase test, the product is subjected to a specified three-phase symmetrical load.

万彩网100线路Overload current and action time

5000 working cycles of resistive load; Inductive load 2500 working cycles, COS φ=0.6~0.7
万彩网100线路Breaking ability
Three phase 1200A; Single phase 2000A
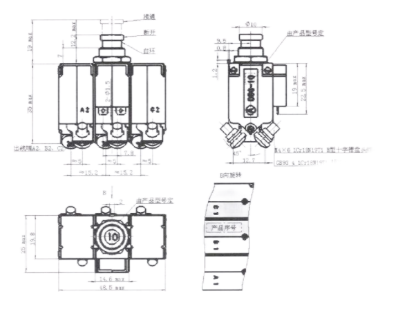
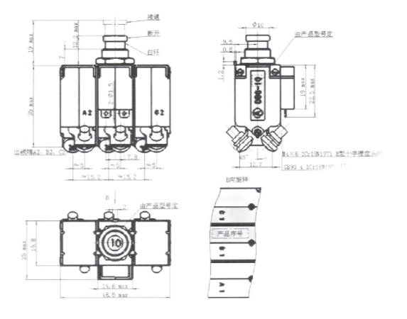
Exterior installation dimensions:
