Product Features:
万彩网100线路Easy installation
万彩网100线路Compact size, space-saving
万彩网100线路Strong anti-interference capability
Application Fields:
DC motor drive static converters
万彩网100线路Communication power supplies
Uninterruptible Power Supplies (UPS)
Switch-mode power supplies
Welding machines
model | WCSO2A-XXXA | ||||
额定测量电流 万彩网100线路Rated measurement current | 万彩网100线路200A | 300A | 500A | 万彩网100线路 800A | 900A |
测量范围 measuring range | 220A | 330A | 550A | 880A | 900A |
额定输出电压 Rated output voltage | 1/2Vc±2.0V | ||||
零点失调电压 万彩网100线路Zero offset voltage | 1/2Vc±15mV | ||||
电源电压 supply voltage | 万彩网100线路+5VDC(± 5%) | ||||
负载电阻 万彩网100线路Load resistance | ≥10KΩ | ||||
线 性 度 Linearity | ≤0.5%FS | ||||
总体精度 万彩网100线路Overall accuracy | ±1%FS | ||||
零点失调电压温漂 Zero offset voltage temperature drift | ±0.1mV/℃ | ||||
幅度电压温度漂移 Amplitude voltage temperature drift | ≤0.03%/℃ | ||||
静态电流消耗 Static current consumption | ≤20mA | ||||
响应时间 万彩网100线路response time | <7us | ||||
频带宽度 Frequency bandwidth | DC~50KHz | ||||
di/dt跟随精度 万彩网100线路Di/dt tracking accuracy | >50A/us | ||||
绝缘耐压 Dielectric Strength | 50Hz,1min,2.5KV | ||||
工作环境温度 万彩网100线路Working environment temperature | -40~+125℃ | ||||
储存环境温度 Storage environment temperature | -40~+125℃ | ||||
质 量 Quality | ≈16g | ||||
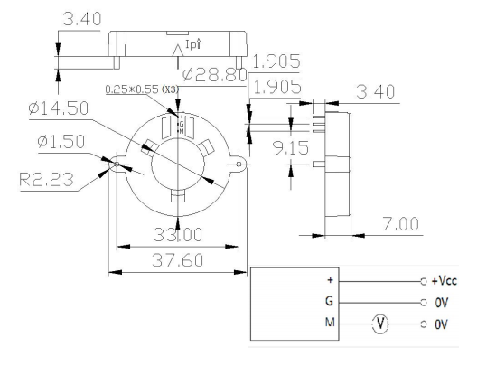
机械特性Mechanicalcharacteristics:
一般公差General tolerance:士0.5 m
其它公差执行Other toleranceexecution:GB/T 1804-2000-M
固定针尺寸Fixing hole size:φ1,5mm(×2)
连接器Connection of secondary:0.25mm×0.55mm(×3)
万彩网100线路建议焊接温度Recommended wave soldering temperature:265℃±5℃
