霍尔电流传感器连接单片机
如何让一个高精度的传感器采集到的信息进行妥善的处置呢?信号的反馈与各分系统的配合需要与单片机正确的连接。
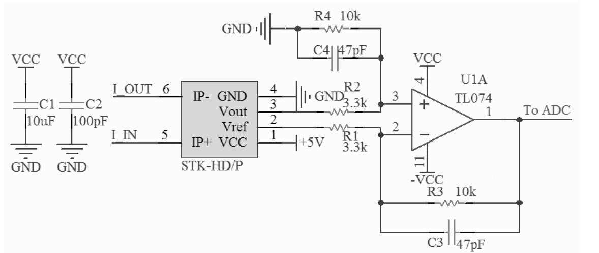
万彩网100线路我们一起来探讨STK-HD/P2M系列电流传感器的信号处理典型应用电路。

HD/P2M系列产品,类比应用可以包括以下8大类应用场合:
1、继电保护与测量:在工业应用中,来自高压三相输电线路电流互感器的二次电流,如分别经三只霍尔电流传感器万彩网100线路,按比例转换成毫伏电压输出,然后再经运算放大器放大及有源滤波,得到符合要求的电压信号,可送微机进行测量或处理。在这里使用霍尔电流传感器可以很方便地实现了无畸变、无延时的信号转换。
万彩网100线路2、在直流自动控制调速系统中的应用:在直流自动控制调速系统中,用霍尔电流电压传感器可以直接代替电流互感器,不仅动态响应好,还可实现对转子电流的最佳控制以及对晶闸管进行过载保护。
万彩网100线路3、在逆变器中的应用:在逆变器中,用霍尔电流传感器可进行接地故障检测、直接侧和交流侧的模拟量传感,以保证逆变器能安全工作。
4、在不间断电源中的应用:在该应用中,用霍尔电流传感器进行控制,保证逆变电源正常工作。使用霍尔电流传感器1发出信号并进行反馈,以控制晶闸管的触发角,霍尔电流传感器2发出的信号控制逆变器,霍尔电流传感器3控制浮充电源。由于其响应速度快,霍尔电流传感器特别适用于计算机中的不间断电源。
5、在电子点焊机中的应用:在电子点焊机电源中,霍尔电流传感器万彩网100线路起测量和控制作用。它的快速响应能再现电流、电压波形,将它们反馈到可控整流器A、B,可控制其输出。用斩波器给直流迭加上一个交流,可更精确地控制电流。用霍尔电流传感器进行电流检测,既可测量电流的真正瞬时值,又不致引入损耗。
万彩网100线路6、用于电车斩波器的控制:电车中的调速是由调整电压实现的。而将霍尔电流传感器和其它元件配合使用,并将传感器的所有信号输入控制系统,可确保电车正常工作。
万彩网100线路7、在交流变频调速电机中的应用:用变频器来对交流电机实施调速,在世界各发达国家已普遍使用,且有取代直流调速的趋势。用变频器控制电机实现调速,可节省10%以上的电能。在变频器中,霍尔电流传感器的主要作用是保护昂贵的大功率晶体管。由于霍尔电流传感器的响应时间往往小于5μs,因此,出现过载短路时,在晶全管未达到极限温度之前即可切断电源,使晶体管得到可靠的保护。
8、用于电能管理:霍尔电流传感器万彩网100线路,可安装到配电线路上进行负载管理。霍尔电流传感器的输出和计算机连接起来,对用电情况进行监控,若发现过载,便及时使受控的线路断开,保证用电设备的安全。用这种装置,也可进行负载分配及电网的遥控、遥测和巡检等。
更多前沿的技术应用,请与技术人员联系:
李生18576410868(微信同号)